RV reducer angular contact ball bearing
|
|
The high precision angular contact ball bearings for the RV reducer are generally slim thrust ball bearings with a 40° contact angle. They are used in pairs, high capacity, high precision, high rigidity, stable operation, and bear all the external loads of the RV reducer. This is the main positioning bearings. The structural characteristics and precision ensure high working positioning accuracy, low vibration, and large reduction ratio for industrial robots under specific working conditions.

The RV reducer angular contact ball bearing produced by MONON has the characteristics of high speed, low noise, high precision, long service life, and light starting torque. It breaks the limitation of bearing installation space and increases the load on the bearing, making it to be the perfect spindle bearing for robot RV reducers. RV reducer angular contact ball bearings are mainly used in precision transmission industries that require small space and high speed ratios, such as robots RV reducer , welding displacement tables (flip tables), CNC machine tools, and precision radar drive control.Welcome contact with us for more information!

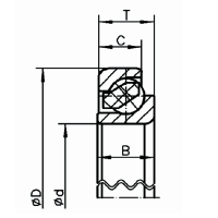
| Select | Download | Inquiry | Bearing NO. | ID | OD | Height T | ID Height B | OD Height C | Loading Cr | Loading Cor | Contact Angle |
|---|---|---|---|---|---|---|---|---|---|---|---|
| 71811B | 55 | 72 | 9 | 9 | 9 | 11.8 | 11.8 | 40° | |||
| 71813B | 65 | 85 | 10 | 10 | 10 | 15.2 | 15.8 | 40° | |||
| 718/70B | 70 | 90 | 10 | 10.45 | 7 | 15.9 | 17.2 | 40° | |||
| 718/70BX2B | 70 | 90 | 10 | 9.5 | 7 | 15.9 | 17.2 | 40° | |||
| 71816B | 80 | 100 | 10 | 10 | 10 | 16.2 | 18.5 | 40° | |||
| 718/85BX2B | 85 | 110 | 13 | 12.5 | 9 | 22.2 | 24.5 | 40° | |||
| 718/88.9BX1 | 88.9 | 114.1 | 13.1 | 10 | 9 | 22.2 | 24.5 | 40° | |||
| 718/89B | 89 | 114 | 13 | 10 | 9 | 22.2 | 24.5 | 40° | |||
| 718/97B | 97 | 120 | 12.95 | 13.5 | 10 | 19 | 22.1 | 40° | |||
| 718/115B | 115 | 145 | 15 | 15.05 | 11 | 31.4 | 37.3 | 40° | |||
| 718/115BX2B | 115 | 145 | 15 | 14.05 | 11 | 31.4 | 37.3 | 40° | |||
| 718/129B | 129 | 153 | 14 | 14.3 | 10.5 | 26.5 | 36.1 | 40° | |||
| 718/130BX2B | 130 | 165 | 15 | 13.9 | 11 | 41.8 | 50.8 | 40° | |||
| 718/143.5B | 143.5 | 174 | 15 | 15 | 12 | 41.2 | 55 | 40° | |||
| 718/144B | 144 | 174 | 15 | 15 | 12 | 41.2 | 55 | 40° | |||
| 718/144BX2B | 144 | 174 | 15 | 14.5 | 12 | 41.2 | 55 | 40° | |||
| 718/159B | 159 | 191 | 16 | 16 | 12 | 42.5 | 59.8 | 40° | |||
| 718/168B | 168 | 205 | 20 | 20 | 16 | 49.7 | 66.4 | 40° | |||
| 718/186B | 186 | 230 | 21 | 21.1 | 17 | 66.8 | 94.1 | 40° | |||
| 718/230BX2B | 230 | 290 | 26 | 25 | 20 | 116.2 | 179.9 | 40° | |||


English
Russian
Chinese




